প্রশ্ন ও উত্তর দেখুন

পূর্ণ প্রশ্ন

পূর্ণমান: 10
বিষয়: তথ্য ও যোগাযোগ প্রযুক্তি অধ্যায়: তৃতীয় শ্রেণি: HSC বোর্ড: রাজশাহী বোর্ড সাল: ২০২৫

 ৪  রাজশাহী বোর্ড ২০২৫
​​​​​​​

. এনকোডার কী?

.  উপপাদ্যটি কখন  হয়? ব্যাখ্যা কর

. উদ্দীপকের বর্তনীটি মৌলিক গেইট দিয়ে বাস্তবায়ন কর 

. উদ্দীপকের বর্তনীটির একটি ইনপুটের সংখ্যা বৃদ্ধি করলে নতুন যে বর্তনীটি পাওয়া যাবে NAND গেইট দ্বারা বাস্তবায়ন করে দেখাও

উত্তর

সমাধান

 

 

             ৪ নং প্রশ্নের উত্তর :

(). এনকোডার হলো এমন এক ধরনের সার্কিট যা আলাদা আলাদা লাইনের সিগন্যালকে এনকোড করে আউটপুট হিসেবে বাইনারি সংখ্যা প্রদান করে

()  উপপাদ্যটি দ্বৈত নীতি মেনে চললে  হয় AND এবং OR অপারেশনের সাথে সম্পর্কযুক্ত সূত্রকে দ্বৈত নীতি বলে AND এবং OR অপারেশনের সাথে সম্পর্কযুক্ত সকল উপপাদ্য দ্বৈত নীতি মেনে চলে যেমন- AND (.) এবং OR (+) অপারেটর পরস্পর বিনিময় হয় অর্থাৎ AND(.) এর পরিবর্তে OR (+) এবং OR (+) এর পরিবর্তে AND(.) ব্যবহৃত হয় সাথে 0 এবং 1 পরস্পর বিনিময় করে অর্থাৎ, 0 এর পরিবর্তে 1 এবং 1 এর পরিবর্তে 0 ব্যবহৃত হয়
সুতরাং, দ্বৈত নীতি মেনে
 উপপাদ্যটি  হয়

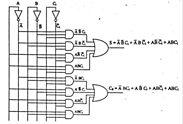
(গ) উদ্দীপকের বর্তনীটি ফুল অ্যাডার এর ব্লক ডায়াগ্রাম মৌলিক গেইটের সাহায্যে ফুল অ্যাডার বাস্তবায়ন নিচে দেওয়া হলোফুল অ্যাডারের ইনপুট A B এবং পূর্বের ক্যারি  এর আউটপুট যোগফল S এবং বর্তনী ক্যারি  

i

 

ইনপুট

আউটপুট

A

B

Ci

S

Co

0

0

0

0

0

0

0

1

1

0

0

1

0

1

0

0

1

1

0

1

1

0

0

1

0

1

0

1

0

1

1

1

0

0

1

1

1

1

1

1

 

 

                                                                                                                        সত্যক সারণি

ফুল অ্যাডারের সত্যক সারণি থেকে লেঁখা যায় যে,

চিত্র - মৌলিক লজিক গেইট দিয়ে ফুল অ্যাডারের লজিক সার্কিট

(ঘ)  উদ্দীপকের বর্তনীটির একটি ইনপুট সংখ্যা বৃদ্ধি করলে প্রাপ্ত বর্তনীটি হলো 4 to 2 লাইন এনকোডার শুধুমাত্র NAND গেইট দ্বারা 4 to 2 লাইন এনকোডার নিচে বাস্তবায়ন করে দেখানো হলো-

সত্যক সারণী

ইনপুট

আউটপুট

1

0

0

0

0

0

0

1

0

0

0

1

0

0

1

0

1

0

0

0

0

1

1

1

সত্যক সারণি হতে পাই,  এবং

NAND গেইট দ্বারা 4 to 2 লাইন এনকোডারের লজিক গেইট :

 

 

 

 

 

 

 

 

 

 

 

 

 

 

 

 

 

 

 

 

 

 

 

 

 

 

 

 

 

 

 

 

 

 

 

 

 

 

 

 

 

 

 

 

 

 

 

 

 

 

 

 

 

 

 

 

 

 

 

 

 

 

 

 

 

 

 

 

 

 

 

 

 

 

 

 

 

 

 

 

 

 

 

 

 

 

 

 

 

 

 

 

 

 

 

 

 

 

 

 

 

 

 

 

 

 

 

 

 

 

 

 

 

 

 

 

 

 

 

 

 

 

 

 

 

 

 

 

 

 

 

 

 

 

 

 

 

 

 

 

 

 

 

 

 

রিঅ্যাকশন

পছন্দ প্রকাশ করুন

শেয়ার করুন

WhatsApp / Facebook

কমেন্ট

মতামত লিখুন
📥 Word